产品类别:振动筛分机
产品简介:石英砂振动筛分机简称石英砂筛分机,在石英砂行业应用广泛,该设备根据外形结构也叫圆形振动筛分机,常见的石英砂振动筛分机型号是直径1200mm,直径1500mm。石英砂振动筛分机厂家大汉机械可以根据客户的需求特殊定做型号
免费获取报价
全国统一销售热线
石英砂振动筛分机简称石英砂筛分机,在石英砂行业应用广泛,该设备根据外形结构也叫圆形振动筛分机,常见的石英砂振动筛分机型号是直径1200mm,直径1500mm。石英砂振动筛分机厂家大汉机械可以根据客户的需求特殊定做型号。大汉石英砂振动筛分机系列产品同时配备专门的筛网清理装置,把堵网率降到低,过网率和处理精度得以有效提高。

石英砂振动筛分机主要用于石英砂的分级和除杂,粒度范围为1-0.5mm、0.5-0.1mm、0.1-0.01mm、0.01-0.005mm。

筛分(分级):可将石英砂筛分成2-6种不同粗细规格,分级率可达96%。
除杂:可将石英砂中的不合格物料或异物筛除,除杂率可达98%

可筛分500目内石英砂的筛分和除杂。
添加弹跳球清网装置,筛网不堵塞,透网率达98%。
有1-5层筛网,可将石英砂筛分成2-6种规格。
全密封结构,筛分时粉末不飞扬。
石英砂振动筛分机可用于石英砂颗粒和粉末的筛分和除杂,可处理石英砂,石英粉,石英石,硅砂,机制砂,人造砂,莫来砂等。


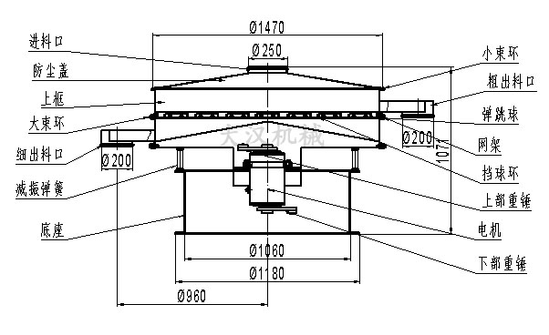
由直立式振动电机作为激振源,电机上、下两端安装有偏心重锤,将电机的旋转运动转变为水平、垂直、倾斜的三次元运动,再把这个运动传递给筛面进行筛分。调节上、下两端的相位角,可以改变物料在筛面上的运动轨迹。

|
型 号 |
功率(KW) |
筛机直径 |
体 积 |
筛网层数 |
|
DH-1500-1S DH-1500-2S DH-1500-3S |
1.5KW |
1430mm |
1850×1850×990 1850×1850×1185 1850×1850×1380 |
1 2 3 |




⑴设备应有稳定的基础。当设备安装于一般地面或水泥基础上时,可以不设置地脚螺栓。当设备安装于钢结构架台之上时,应用螺栓紧固于结构体上,而且钢结构架台应有一定的钢度。本机只需三相开关一只(备注:好使用电气控制盘),用蛇皮管穿线,将电机接至电源即可,注意电气控制盘应悬挂安装于墙上。 ⑵设备出厂前已将筛网装妥,使用过程中的筛网更换可自己更换。
⑶开机前,应先检查各压紧螺栓的紧固程度,及各料口的位置是否与接料器对正,并观察振动电机是否能正常转动及弹簧受力有无阻碍,检查各层筛网是否压紧。
⑷当旋振筛接入电气控制盘之前,应首先对电气控制盘进行检查。线路接通后观察振动电机旋转方向是否是顺时针方向, (备注:否则应改变相序)运转是否正常,有无异噪声。
⑸调节振动电机上下偏心块的相位角,以适应各种物料筛分情况。

Copyright ©right 2007-2020 新乡市大汉振动机械有限公司 All Rights Reserved 版权所有
备案号:

