产品类别:振动筛分机
产品简介:本品为直径800mm型二层三出口全不锈钢振动筛,子母双层网分离式网架,整机为304不锈钢材质。弹簧外围加304不锈网裙边。全不锈钢振动筛主要用于:食品行业、医药行业、化工行业较多。
免费获取报价
全国统一销售热线
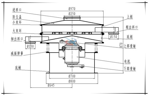
DH-800-2S全不锈钢振动筛为800mm直径两层三个出料口不锈钢旋振筛,子母双层网分离式网架,整机为304不锈钢材质。

关于“振动筛”:这个名称是所有振动筛分设备类产品的总称,确切点讲这种圆形的振动筛根据相关标准叫“旋振筛”,由于其振动运转原理很多企业也称之为“三次元振动筛分过滤机”。

关于“大汉牌振动筛”:"大汉"DH系列振动筛产品,经客户多年使用,获得大量的一线反馈建议,在自有成熟的筛机制造技术基础上,大汉机械工程师以满足客户需求为标准,多次技术改进,筛分效果更加优越,采用"通用"新型动力激振器,三维动力更加突出,适用范围更加广泛,大汉机械公司可根据客户需求设计特殊型号,无论物料是干是湿,是精细是粗糙,是比重大是比重轻,0-400目都可以筛选,不管是液态,还是浆状的0-600目都可以过滤。"大汉"旋振筛系列产品同时配备专门的筛网清理装置,把堵网率降到低,过网率和处理精度得以有效提高。"大汉"具备特殊型号制造的能力让顾客对"大汉"有更多的选择。


☆ 效率高、设计精巧耐用,粉类、粘液均可筛分。
☆ 换网容易、操作简单、清洗方便。
☆ 网孔不堵塞、粉末不飞扬、可筛至400目或0.028mm。
杂质、粗料自动排出,可以连续作业。
DH-800-2S全不锈钢振动筛外形尺寸:

| 型号 Model |
功率 (kw) |
筛分直径 (m/m) |
入料粒度 (mm) |
电压 (v) |
转速 (r/min) |
处理量 (kg/h) |
| DH-800 | 0.55 | 750 | <10 | 380 | 1440 | 800 |

振动筛用与原理:基本原理由直立式振动电机作为激振源,电机上、下两端安装有偏心重锤,将电机的旋转运动转变为水平、垂直、倾斜的三次元运动,再把这个运动传递给筛面。调节上、下两端的相位角,可以改变物料在筛面上的运动轨迹。

化工行业:树脂、涂料、工业药品、化妆品、油漆、中药粉等。
食品行业:糖粉、淀粉、食盐、米粉、奶粉、豆浆、蛋粉、酱油、果汁等。
金属、冶金矿业:铝粉、铅粉、铜粉、矿石、合金粉、焊条粉末、二氧化锰、电解铜粉、电磁性材料、研磨粉、耐火材料、高岭土、石灰、氧化铝、重质碳酸钙、石英砂等。
公害处理:废油、废水、染整废水、助剂、活性碳等。
1.保修期内非因操作不当造成需要更换的零配件及设备由我厂负责包修、包换。
2.质量保证期结束后,我厂将继续免费提供售后服务,不限年份终身服务,仅收取零部件成本费,免收人工费,免收维修费。
为了向您提供完善的售后服务,请将您的宝贵意见、建议及要求反馈给我厂。我们感谢贵单位使用我厂的产品,我厂建立有完整的营销网络及完善的售后服务体系,售后服务部已将您购买的产品建立了信息档案。如果您购买的产品出现质量问题,我们将及时为您提供全方位的服务。
Copyright ©right 2007-2024 新乡市大汉振动机械有限公司 All Rights Reserved 版权所有
备案号:

