产品类别:振动筛分机
产品简介:移动式振动筛分机是在振动筛底部安装了万向旋转轮,可360°自由旋转移动,主要用于筛分场所不固定的场合.
免费获取报价
全国统一销售热线
移动式振动筛分机筛选硫磺粉

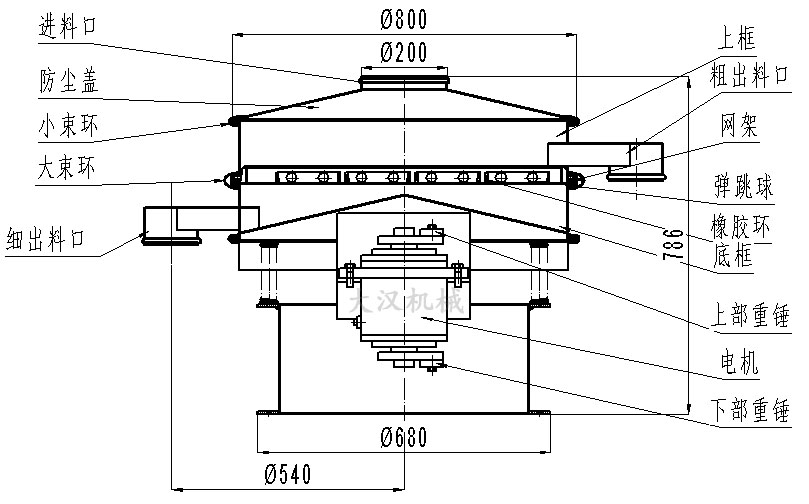
移动式振动筛是在振动筛底部加装万向旋转轮,可360度旋转移动,主要应用于筛分场所不固定,便于用户移动,一人即可操作。振动筛是所有振动筛分设备类产品的总称,确切的讲圆形的振动筛根据相关标准叫“旋振筛”,由于其振动运转原理很多企业也称之为“三次元振动筛分过滤机”。


1、底部加装移动轮,可自由移动,一人即可操作;
2、可筛至400目或0.028mm,网孔不堵塞;
3、全密闭结构,粉末不飞扬,液体不溢散;
4、杂质、粗料自动排出,可以连续作业。

移动式振动筛分机适用于筛分场所不固定的场合,可以用于筛分粉末、颗粒及液体物料。
化工行业:树脂、涂料、工业药品、化妆品、油漆、中药粉等。
食品行业:糖粉、淀粉、食盐、米粉、奶粉、豆浆、蛋粉、酱油、果汁等。
金属、冶金矿业:铝粉、铅粉、铜粉、矿石、合金粉、焊条粉末、二氧化锰、电解铜粉、电磁性材料、研磨粉、耐火材料、高岭土、石灰、氧化铝、重质碳酸钙、石英砂等。
公害处理:废油、废水、染整废水、助剂、活性碳等。


移动式振动筛由直立式振动电机作为激振源,电机上、下两端安装有偏心重锤,将电机的旋转运动转变为水平、垂直、倾斜的三次元运动,再把这个运动传递给筛面进行筛分。调节上、下两端的相位角,可以改变物料在筛面上的运动轨迹。

(一)设备应有稳定的基础。当设备安装于一般地面或水泥基础上时,可以不设置地脚螺栓。当设备安装于钢结构架台之上时,应用螺栓紧固于结构体上,而且钢结构架台应有一定的钢度。
本机只需三相开关一只(备注:好使用电气控制盘),用蛇皮管穿线,将电机接至电源即可,注意电气控制盘应悬挂安装于墙上。
(二)设备出厂前已将筛网装妥,使用过程中的筛网更换可自己更换。
(三)开机前,应先检查各压紧螺栓的紧固程度,及各料口的位置是否与接料器对正,并观察振动电机是否能正常转动及弹簧受力有无阻碍,检查各层筛网是否压紧。
(四)当旋振筛接入电气控制盘之前,应首先对电气控制盘进行检查。线路接通后观察振动电机旋转方向是否是顺时针方向, (备注:否则应改变相序)运转是否正常,有无异噪声。
(五)调节振动电机上下偏心块的相位角,以适应各种物料筛分情况。
大汉移动式振动筛分机厂家可根据客户需求设计特殊型号,无论物料是干是湿,是精细是粗糙,是比重大是比重轻,0-400目都可以筛选,不管是液态的,还是浆状的0-600目都可以过滤."大汉"旋振筛系列产品同时配备专门的筛网清理装置,把堵网率降到低,过网率和处理精度得以有效提高."大汉"具备特殊型号制造的能力让顾客对"大汉"有更多的选择。

Copyright ©right 2007-2020 新乡市大汉振动机械有限公司 All Rights Reserved 版权所有
备案号:

