产品类别:振动筛分机
产品简介:多层振动筛可分为单层、双层、三层、四层,可将一种规格的物料分选出2-5种不同粒度。
免费获取报价
全国统一销售热线
双层振动筛分机筛选河沙
三层振动筛分机筛选玉米
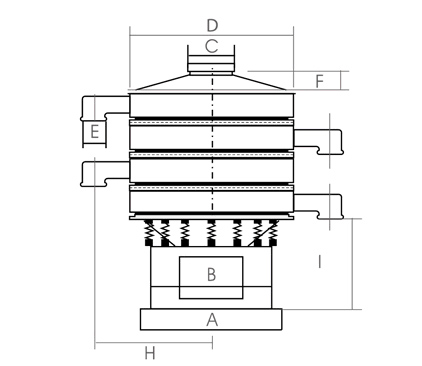
多层振动筛分机指两个出料口以上的振动筛分机,筛面层数可为2层、3层、4层等,物料通过不同目数的筛网进行分级,可将一种物料分选出2-5种不同粒度规格。

多层振动筛分机层数说明:多层振动筛分机都是指筛机里边所安装网架的数量,比较明显的就是直接看振动筛有几个出料口,双层振动筛是安装2层筛网,有3个出料口,以此类推。

大汉多层振动筛分机根据不同行业的要求,可选用碳钢、不锈钢、塑料三种材质,还可根据特殊行业进行定制化设计生产。


化工行业:树脂、涂料、工业药品、化妆品、油漆、中药粉等。
食品行业:糖粉、淀粉、食盐、米粉、奶粉、豆浆、蛋粉、酱油、果汁等。
金属、冶金矿业:铝粉、铅粉、铜粉、矿石、合金粉、焊条粉末、二氧化锰、电解铜粉、电磁性材料、研磨粉、耐火材料、高岭土、石灰、氧化铝、重质碳酸钙、石英砂等。
公害处理:废油、废水、染整废水、助剂、活性碳等



多层振动筛分机是一种高精度细粉筛分机械,工作原理是由直立式电机作激振源,电机上、下两端安装有偏心重锤,将电机的旋转运动转变为水平、垂直、倾斜的三次元运动,再把这个运动传递给筛面。调节上、下两端的相位角,可以改变物料在筛面上的运动轨迹。


| 型号 | 筛分直径 (m/m) | 入料粒度(mm) | 转速(r/min) | 电压(v) | 功率 (kw) | 处理量 (kg/h) |
| DH-400 | 350 | <10 | 1440 | 380 | 0.18 | 100 |
| DH-600 | 550 | <10 | 1440 | 380 | 0.25 | 500 |
| DH-800 | 750 | <10 | 1440 | 380 | 0.55 | 800 |
| DH-1000 | 920 | <10 | 1440 | 380 | 0.75 | 1400 |
| DH-1200 | 1120 | <10 | 1440 | 380 | 1.1 | 2100 |
| DH-1500 | 1420 | <10 | 1440 | 380 | 1.5 | 2600 |
| DH-1800 | 1720 | <10 | 1440 | 380 | 2.2 | 3300 |
1、节省时间(3-5分钟筛网更换方便)。
2、节省人力、换网只用两人。
3、增加生产线的流畅性。
4、增加筛网寿命,弹跳球不直接撞击筛网。
5、筛网使用寿命长。

1、先把束环螺丝松开卸下上框,把已破损的细网取下,代之以新的细网。
2、把细网平铺在粗网上,重新把上框放回原位,在四周用手把细网拉紧,在即身对边两端上框与下框的框缘处,各用一把钳子,把上框与下框夹紧。
3、束环重新套上,松掉钳子,把束环螺丝锁紧。
4、用软锤子均匀敲打束环四周,再将铜螺母锁紧,换细网即告完成。(见图一至图五)

1、保修期内非因操作不当造成需要更换的零配件及设备由我厂负责包修、包换。
2、质量保证期结束后,我厂将继续免费提供售后服务,不限年份终身服务,仅收取零部件成本费。

Copyright ©right 2007-2020 新乡市大汉振动机械有限公司 All Rights Reserved 版权所有
备案号:

