产品类别:振动筛分机
产品简介:不锈钢振动筛分机与物料基础部分为304不锈钢材质,耐腐蚀、耐高温、不易生锈,全封闭结构,无粉尘污染,可根据用户需求定做特殊型号。
筛分精度:500目或0.028mm
适用物料:面粉、大米、大豆、食用盐、果汁、豆浆、陈醋、中药粉、中西药颗粒等
免费获取报价
全国统一销售热线
不锈钢振动筛分机采用不锈钢材质,耐高温、耐腐蚀、不易生锈,可防止物料污染,筛分精细,可达500目或5微米
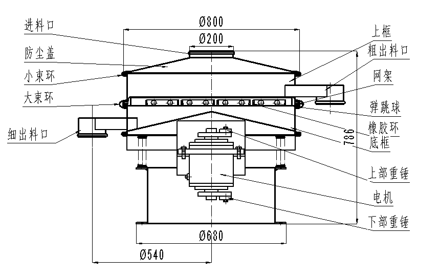
不锈钢振动筛分机采用了不锈钢材质制作而成,干净卫生,筛框采用加强型密封结构,使筛框与网架达到密封状态,并采用食品、医药行业专用的硅胶密封材质,以满足卫生条件,防止物料在筛分过程中被污染。

汉机械可根据客户需求设计特殊型号,无论物料是干是湿,是精细是粗糙,是比重大是比重轻,0-400目都可以筛选,不管是液态的,还是浆状的0-600目都可以过滤。同时配备专门的筛网清理装置,把堵网率降到低,过网率和处理精度得以有效提高。

不锈钢振动筛分机整机有304、304L、310、310L、316、316L多种等级的不锈钢,等级越高的不锈钢耐热性能和隔热性能就越好,可以承受200℃-500℃的高温物料筛分,除了良好的耐热和隔热性能外,不锈钢振动筛经过内外抛光打磨处理后更不易生锈,良好的清理性能可避免物料受到污染,因此可专门用在食品、医药等对卫生要求较高的行业。
化工行业:树脂、涂料、工业药品、化妆品、油漆、中药粉等。
食品行业:糖粉、淀粉、食盐、米粉、奶粉、豆浆、蛋粉、酱油、果汁等。
金属、冶金矿业:铝粉、铅粉、铜粉、矿石、合金粉、焊条粉末、二氧化锰、电解铜粉、电磁性材料、研磨粉、耐火材料、高岭土、石灰、氧化铝、重质碳酸钙、石英砂等。
公害处理:废油、废水、染整废水、助剂、活性碳等。



耐腐蚀抗氧化:对于一些具有特殊性质的物料,不锈钢振动筛具有良好的耐腐、抗氧化效果,可提高筛机使用寿命3-5倍。
耐高温:采用不锈钢材质抛光而成,可以承受200℃-500℃高温物料的筛分。
干净卫生:对于卫生要求高的行业,普通筛机在筛分过程中会对物料产生污染,而不锈钢振动筛可以很好地解决这一问题。
全密封设计:可确保粉末类物料在筛分中不飞溅,保证生产环节的卫生和安全。
筛分精细:网孔不堵塞、可筛至500目或0.028mm。

| 型 号 | DH-600 | DH-800 | DH-1000 | DH-1200 | DH-1500 | DH-1800 | DH-2000 |
| 直径mm | Φ600 | Φ800 | Φ1000 | Φ1200 | Φ1500 | Φ1800 | Φ2000 |
| 筛网面积m | 0.24 | 0.45 | 0.67 | 1.0 | 1.6 | 2.43 | 3.01 |
| 筛网规格(目) | 2-500 | ||||||
| 进料粒度mm | <Φ10 | <Φ15 | <Φ20 | <Φ30 | |||
| 振次rpm | 1500 | 1500 | 1500 | 1500 | 1500 | 1500 | 1500 |
| 有效筛面直mm | Φ560 | Φ760 | Φ930 | Φ1130 | Φ1430 | Φ1760 | Φ1960 |
| 层数 | 1-5 | ||||||
| 功率Kw | 0.25 | 0.55 | 0.75 | 1.1 | 1.5 | 2.2 | 3 |
不锈钢振动筛分机由直立式振动电机作为激振源,电机上、下两端安装有偏心重锤,将电机的旋转运动转变为水平、垂直、倾斜的三次元运动,再把这个运动传递给筛面。调节上、下两端的相位角,可以改变物料在筛面上的运动轨迹。

一、如何辨别不锈钢振动筛的材质是304不锈钢还是其它劣质钢材?

1、光洁度及明暗度鉴别:304不锈钢材质在抛光后,振动筛表面光滑整洁,劣质的201不锈钢材质在抛光后振动筛表面会存在一些麻点、暗斑等。
2、磁铁鉴别:振动筛常用的304不锈钢,使用磁铁靠近不会有吸附力,而劣质的201不锈钢磁铁靠近则会产生轻微的吸附力。
3、化学药水鉴别:以上两种方法主要针对201材质和304材质不锈钢之间的鉴别,对于304材质和316材质不锈钢的鉴别基本起不到作用,但是通过化学药水却可以迅速的分别出各种型号的不锈钢材质。
二、不锈钢振动筛的价格大概是多少?

不锈钢振动筛的价格区间在3200—36800元/台,价格主要由材质、层数、型号三方因素决定,不同材质在同型号上价格上会相差800-2000元左右;层数上可安装1-4层筛网,每增加一层在价格上也会贵上1000左右,型号可分为DH-400、DH-600、DH-800、DH-1000、DH-1200、DH-1500、DH-1800等8种标准型号,型号越大的设备价格也就会越贵。
(一)设备应有稳定的基础。当设备安装于一般地面或水泥基础上时,可以不设置地脚螺栓。当设备安装于钢结构架台之上时,应用螺栓紧固于结构体上,而且钢结构架台应有一定的钢度。
本机只需三相开关一只(备注:好使用电气控制盘),用蛇皮管穿线,将电机接至电源即可,注意电气控制盘应悬挂安装于墙上。
(二)设备出厂前已将筛网装妥,使用过程中的筛网更换可自己更换。
(三)开机前,应先检查各压紧螺栓的紧固程度,及各料口的位置是否与接料器对正,并观察振动电机是否能正常转动及弹簧受力有无阻碍,检查各层筛网是否压紧。
(四)当旋振筛接入电气控制盘之前,应首先对电气控制盘进行检查。线路接通后观察振动电机旋转方向是否是顺时针方向, (备注:否则应改变相序)运转是否正常,有无异噪声。
(五)调节振动电机上下偏心块的相位角,以适应各种物料筛分情况。
Copyright ©right 2007-2020 新乡市大汉振动机械有限公司 All Rights Reserved 版权所有
备案号:

