产品类别:振动筛分机
产品简介:全不锈钢振动筛型号为400mm直径一层两出口,AA式网架结构,底座为不锈钢材质,广泛应用于医药行业中的药粉的筛分。
免费获取报价
全国统一销售热线
本品为400mm直径一层两出口不锈钢旋振筛,AA式网架结构,底座为不锈钢材质,广泛应用于医药行业中的药粉的筛分。
DH-400型全不锈钢振动筛介绍确切点讲这种圆形的振动筛根据相关标准叫“旋振筛”,由于其振动运转原理很多企业也称之为“三次元振动筛分过滤机",适用范围更加广泛,大汉机械公司可根据客户需求设计特殊型号,无论物料是干是湿,是精细是粗糙,是比重大是比重轻,0-400目都可以筛选,不管是液态的,还是浆状的0-600目都可以过滤."大汉"旋振筛系列产品同时配备专门的筛网清理装置,把堵网率降到低,过网率和处理精度得以有效提高."大汉"具备特殊型号制造的能力让顾客对"大汉"有更多的选择.

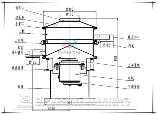
由直立式振动电机作为激振源,电机上、下两端安装有偏心重锤,将电机的旋转运动转变为水平、垂直、倾斜的三次元运动,再把这个运动传递给筛面。调节上、下两端的相位角,可以改变物料在筛面上的运动轨迹。

☆ 效率高、设计精巧耐用,粉类、粘液均可筛分。
☆ 换网容易、操作简单、清洗方便。
☆ 网孔不堵塞、粉末不飞扬、可筛至400目或0.028mm。
☆ 杂质、粗料自动排出,可以连续作业。

化工行业:树脂、涂料、工业药品、化妆品、油漆、中药粉等。
食品行业:糖粉、淀粉、食盐、米粉、奶粉、豆浆、蛋粉、酱油、果汁等。
金属、冶金矿业:铝粉、铅粉、铜粉、矿石、合金粉、焊条粉末、二氧化锰、电解铜粉、电磁性材料、研磨粉、耐火材料、高岭土、石灰、氧化铝、重质碳酸钙、石英砂等。
公害处理:废油、废水、染整废水、助剂、活性碳等。


|
型 号 |
功率(KW) |
筛机直径 |
体 积 |
筛网层数 |
|
DH-400-1S DH-400-2S DH-400-3S |
0.18KW |
350mm |
580×580×560 580×580×670 580×580×780 |
1 2 3 |

Copyright ©right 2007-2020 新乡市大汉振动机械有限公司 All Rights Reserved 版权所有
备案号:

